Teherautó gumiszerelő gép TCS 656
Teherautó gumiszerelő gép TCS 656
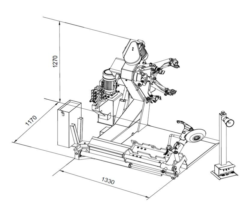
A TCS 656 kerékcserélő egy nagy teljesítményű és gazdaságos gép, amelyet teherautók, mezőgazdasági és építőipari járművek kerekeinek speciális szervizelésére terveztek. A nagyméretű kerekek hatékony és megbízható kezelésére tervezett modell kézi emelőkarral és forgótárcsával rendelkezik a könnyű kezelhetőség érdekében. A kerékcserélő ergonomikus és hordozható vezérlőpultot tartalmaz, amely lehetővé teszi a gép kényelmes, mindkét oldalról történő kezelését, javítva a rugalmasságot és növelve a munkavédelmet. A kettős sebességű anyának köszönhetően a teljes folyamat felgyorsul, ami hozzájárul a szerviz termelékenységének növeléséhez.

Ezt a gépet úgy tervezték, hogy a nagy teljesítményt és a könnyű használatot ötvözze. Teljesen kidolgozott munkaplatformja és rögzített kerékszorító pofái stabilitást és biztonságot biztosítanak a nehéz kerekek kezelésénél. A szerelőkar kézzel emelhető és forgatható a tárcsával a középpontban, ami megkönnyíti az összeszerelést és a szétszerelést. A gép három rögzítési ponttal rendelkezik a szerelőkar számára a csúszókocsin, ami növeli a pontosságot és az ellenőrzést a munkavégzés során. Egy kiegészítő rámpa is található a kerék könnyebb szállítása érdekében a kocsin. A hordozható és ergonomikus vezérlőpult lehetővé teszi a gép kényelmes kezelését, a kettős sebességmátrix pedig gyorsabb és hatékonyabb cserét biztosít, csökkentve a nagyméretű kerekek szervizeléséhez szükséges időt.
JELLEMZŐK:
- Hidraulikus előtolás
- Hordozható vezérlőpultok
- Robusztus szerkezet
- Széles perembefogási tartomány
- Nagy teherbírás

A készülék nagyszerű választás olyan professzionális műhelyek számára, amelyeknek megbízható és robusztus felszerelésre van szükségük a nagy kerekek kezeléséhez. Robusztus kialakításának, rugalmas vezérlési lehetőségeinek és csúcsminőségű paramétereinek köszönhetően ideális megoldás különféle nagyméretű járművekhez, a teherautóktól az építőipari és mezőgazdasági gépekig.
PARAMÉTEREK:
- Maximális kerékszélesség: 1065 mm
- Maximális kerékátmérő: 2300 mm
- Felni rögzítési tartomány: 14" - 56"
- A berendezés súlya: 750 kg
- Motor teljesítmény: 1,5 kW / 2,4 kW
- Maximális keréksúly: 1500 kg
- Tápellátás: 400V / 50Hz

- Teherautó emelőkar – 1 db
- Személyautó emelőkar 500 mm műanyag burkolattal – 1 db
- Személyautó emelőkar 600 mm műanyag burkolattal – 1 db
- Tehergépjármű rögzítő bilincsek – 2 db
- 56"-os felni adapterek – 4 db
- Műanyag betétek könnyűfém felnikhez – 4 db
- Karbantartó kefe
Tudja, mi nem hiányozhat egy gumiszerviz „kötelező” felszereléséből? Önnek minden megvan?







